4.4.1.20. eCATALOGsolutions: PARTtemplateDesigner - New element "QR Code"

In the PARTtemplateDesigner you can create your own template, later used with the 3D PDF datasheet function, which is available on the platforms PARTcommunity, PARTserver, PARTsolutions and Offline CDs.

For catalog suppliers decisive arguments for use are:

  • 3D PDF datasheets can be created without performing any catalog changes, because the datasheet is automatically filled with the already existing eCATALOGsolutions catalog data.

  • Support for end-user: All catalogs at all working places produce identical datasheets, which improves the internal documentation. Furthermore the user of the 3D PDF datasheet gets all information at a glance, what essentially supports the product selection.

  • Once the 3D model is displayed, the datasheet function is available as well. Through support of the 3D function it is an innovative method with little susceptibility to errors.

  • The 3D PDF datasheet can be provided in several languages.

The datasheet contains different elements:

  • Text fields

  • 3D model

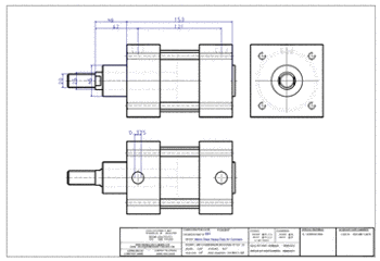
  • 2D view

  • Technical views with dimensioning

  • Photo realistic images

  • Characteristic attribute table

  • other

As of V9.07 the element QR Code has been added.

In the following you can see some datasheet examples:

CADENAS Standard template

CADENAS Standard template

Company specific template - Example 1

Company specific template - Example 1

Company specific template - Example 2

Company specific template - Example 2

Company specific template - Example 3

Company specific template - Example 3

Special features:

  • For the 2D derivation the setting Shaded view can be chosen in the PDF datasheet. The generation is less time expensive and since in most cases no real line depiction is needed, it's a good alternative.

  • You can display the Windows user name and the mass of the part/assembly in the PDF datasheet. The mass declaration is important for example, in order to be able to calculate the freight charge. The user name is interesting for company internal datasheets, e.g. at incoming orders, if the datasheet is enclosed with the order.

You can find detailed information under Chapter 10, PARTtemplateDesigner - Create datasheets in eCATALOGsolutions Manual.