Elenco di tutte le caratteristiche con i possibili valori
Nome file 3D: l'inserimento avviene automaticamente (se impostato tramite "Elementi pubblicati").
Identificazione 3D: l'inserimento avviene automaticamente (quando l'impostazione avviene tramite "Elementi pubblicati")
Connettore del tubo sulla linea principale: connessione alla linea principale o meno (selezione del campo elenco)
Connettore di tubi Disciplina:
Tubazioni: linee di alimentazione per il trasporto di gas e liquidi come acqua, olio o simili.
Il diametro esterno è importante (la dimensione nominale si basa sul diametro esterno).
HVAC: Riscaldamento, ventilazionee condizionamento dell 'aria- condotti d'aria
Connettore per tubi Funzione: direzione del flusso del mezzo o fissaggio
Designazione del raccordo: Tipo di utilizzo del raccordo
Codice ISOGEN del connettore per tubi: codice ISOGEN del componente (4 lettere)
Guida di riferimento: https: //docs.hexagonppm.com/reader/0lruBS_9RMe3GCYewUDFLw/jzNMOLyC0egjVBNRXD5wrg
Esistono alcune sovrapposizioni tra il Codice ISOGEN e il Codice VDI Form.
Connettore per tubi Codice forma VDI:
Esistono alcune sovrapposizioni tra il Codice ISOGEN e il Codice VDI Form.
Si distinguono i seguenti tipi di collegamento con i corrispondenti identificativi per le tubazioni. I punti di collegamento contrassegnati da un cerchio sono i punti zero dei sistemi di coordinate dei collegamenti.
Selezione del campo elenco: ad es. NIPP, MUFF, GLAT, RUF, OVFL (vedere VDI 3805)
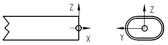
Tipi di connessione per i condotti dell'aria
Per i condotti dell'aria, si distinguono i tipi di collegamento con i relativi identificatori (i punti di collegamento sono contrassegnati da un piccolo cerchio).
Il tipo di connessione viene determinato specificando una designazione alfanumerica. Questa definisce la forma qualitativa dell'accoppiamento della superficie effettiva del raccordo. Può essere composta, ad esempio, da un numero DIN per il tipo di filettatura o di flangia, abbinato a una classificazione della pressione o a una specifica delle prestazioni, se questa influisce sulla forma della superficie effettiva (ad esempio, per le flange).
Diametro nominale del connettore del tubo: diametro nominale (interno) del collegamento del tubo. È controllato tramite una variabile corrispondente.
Diametro esterno del connettore del tubo: diametro esterno del collegamento del tubo. Viene controllato tramite una variabile corrispondente.
Profondità di inserimento del connettore del tubo: profondità di inserimento. È controllata da una variabile corrispondente.

![[Nota]](https://webapi.partcommunity.com/service/help/latest/pages/it/partwarehouse/doc/images/note.png)























