Avant de commencer à travailler dans PARTproject , installez
Veuillez training.cip le fichier à l’aide de PARTadmin.
Ils
peut trouver le fichier training.cip à l’adresse
...\cadenas\partsolutions\software\training.
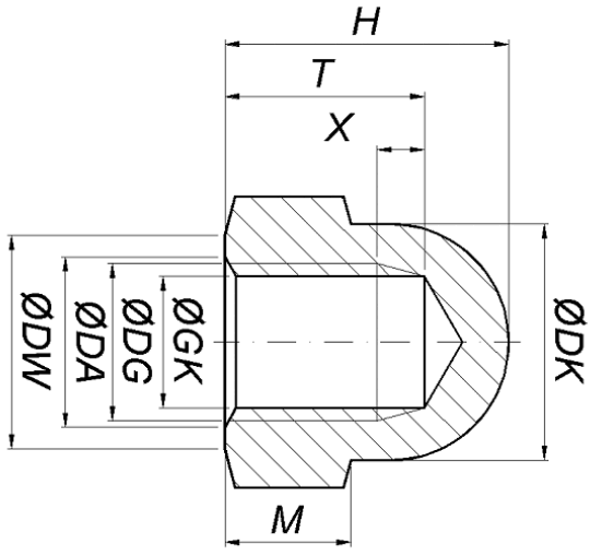
Pour l'exemple de formation, le dessin et le tableau suivants doivent servir de base :



