2.1.1. Installation of the Training catalog

Before starting in PARTproject, please install the file training.cip via PARTadmin.

You can find the file training.cip under ...\cadenas\partsolutions\software\training.

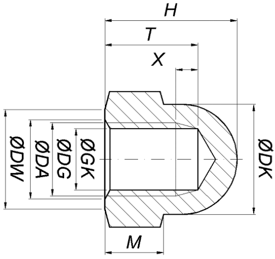
For the training example the following drawing and table shall serve as basis:

Cap nut drawing

Cap nut drawing

Cap nut table

Cap nut table