2.1.1. Installation of the Training catalog
Before starting in PARTproject, please install
the file training.cip via PARTadmin.
You can find
the file training.cip under
...\cadenas\partsolutions\software\training.
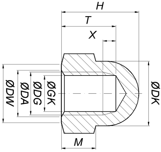
For the training example the following drawing
and table shall serve as basis: