Liste de toutes les caractéristiques avec valeurs possibles
Nom de fichier 3D: l'entrée est automatique (lorsqu'elle est définie via "Published Elements")
Identification 3D: l'inscription se fait automatiquement (lors du positionnement via "Published Elements")
Pipe Connector On Mainline: connexion sur la ligne principale ou non (sélection de la zone de liste)
Discipline des connecteurs de tuyaux:
Piping: conduites d'alimentation pour le transport de gaz et de liquides tels que l'eau, l'huile ou des produits similaires
le diamètre extérieur est important (la dimension nominale est basée sur le diamètre extérieur)
HVAC: Heating, Ventilationand Air Conditioning(en français "Chauffage, ventilation et climatisation") - Conduits d'air
Pipe Connector Function: sens d'écoulement du fluide ou fixation
Pipe Connector Designation: type d'utilisation du raccordement
Pipe Connector Code ISOGEN: code ISOGEN pour le composant (4 lettres)
Guide de référence : https://docs.hexagonppm.com/reader/0lruBS_9RMe3GCYewUDFLw/jzNMOLyC0egjVBNRXD5wrg
Il existe des recoupements partiels entre le code ISOGEN et le code de forme VDI.
Il existe des recoupements partiels entre le code ISOGEN et le code de forme VDI.
Formes de raccordement des tubes
Pour les tuyauteries, on distingue les formes de raccordement suivantes avec les identifications correspondantes. Dans les points de raccordement marqués d'un cercle se trouvent les points d'origine des systèmes de coordonnées de raccordement.
Sélection du champ de liste : par ex. NIPP, MUFF, GLAT, RUF, OVFL (voir VDI 3805)
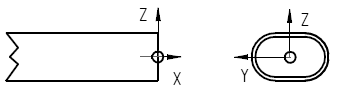
Formes de raccordement pour les conduites d'air
Pour les conduites d'air, on distingue des formes de raccordement avec des identifications correspondantes (les points de raccordement sont à chaque fois indiqués par un petit cercle).
Le type d'assemblage est déterminé par l'indication d'une désignation alphanumérique. Celle-ci définit la forme qualitative de la paire de surfaces actives dans l'assemblage. Elle peut être composée par exemple d'un numéro DIN pour le type de filetage ou de bride, combiné avec une indication de niveau de pression ou de puissance, si celle-ci a une influence sur la forme de la surface active (par exemple pour les brides).
Pipe Connector Nominal Diameter: diamètre nominal (intérieur) du raccord de tuyau. Contrôlé par une variable correspondante.
Pipe Connector External Diameter: diamètre extérieur de raccordement du tube. Contrôlé par une variable correspondante.
Pipe Connector Insertion Depth: profondeur d'insertion. Contrôlée par une variable correspondante.

![[Remarque]](https://webapi.partcommunity.com/service/help/latest/pages/fr/partsolutions_admin/doc/images/note.png)























