Listing of all attributes with possible values
3D filename: Entry is made automatically (when set via "Published Elements")
3D identification: Entry is made automatically (when setting via "Published Elements")
Pipe Connector On Mainline: Connection to main line or not (list field selection)
Pipe Connector Function: Flow direction of the medium or fastening
Pipe Connector Designation: Type of use of the connection
Pipe Connector ISOGEN Code: ISOGEN code for the component (4 letters)
Reference Guide: https://docs.hexagonppm.com/reader/0lruBS_9RMe3GCYewUDFLw/jzNMOLyC0egjVBNRXD5wrg
There are some overlaps between the ISOGEN Code and the VDI Form Code.
There are some overlaps between the ISOGEN Code and the VDI Form Code.
For pipes, the following connection forms are distinguished by means of appropriate codes (the zero points of the connection coordinate systems lie on the connection points marked with a circle).
List field selection: e..g. NIPP, MUFF, GLAT, RUF, OVFL (see VDI 3805)
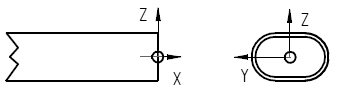
Connection forms for air ducts
For air ducts, the connection forms are distinguished by means of appropriate codes (the connection points are marked by a small circle in each case).
The connection method is determined by an alphanumeric code which defines the qualitative form of the active area pairing in the connection. It can be made up of, e.g., a DIN number for the type of thread or flange, combined with a pressure stage or rating provided that the latter has an impact on the form of the active area (e.g. in the case of flanges).
Pipe Connector Nominal Diameter: Nominal (inner) pipe connection diameter. Is controlled via a corresponding variable.
Pipe Connector External Diameter: External pipe connection diameter. Is controlled via a corresponding variable.
Pipe Connector Insertion Depth: Insertion depth. Is controlled via a corresponding variable.

![[Note]](https://webapi.partcommunity.com/service/help/latest/pages/en/partsolutions_admin/doc/images/note.png)























