Per creare il foglio dati PDF 3D è necessario definire un modello di layout. Questo contiene le informazioni sulla disposizione dei dati nel PDF.
I modelli sono forniti con testo standard [Standard text], numero standard [Standard number], immagine di anteprima, immagine U3D (visualizzazione 3D interattiva).[96]Le anteprime tecniche, le derivazioni 2D, i valori delle tabelle, ecc. sono compilati.
Viene utilizzato il linguaggio CADENAS impostato ($CADENAS_LANGUAGE).
Tutte le rappresentazioni si riferiscono alla riga della tabella selezionata durante l'esportazione.
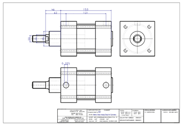
Nel foglio dati PDF, per la derivazione 2D è possibile selezionare anche l'impostazione di visualizzazione ombreggiata [Shaded view]. La creazione è molto più veloce e, poiché nella maggior parte dei casi non è richiesta una vera e propria rappresentazione a linee, questa è una buona alternativa.[97]
È possibile visualizzare il nome utente di Windows e la massa del pezzo/assemblaggio nella scheda tecnica PDF. Le informazioni sulla massa sono importanti, tra l'altro, per il calcolo dei costi di trasporto. Il nome dell'utente è interessante per i fogli dati interni dell'azienda, ad esempio per gli ordini in arrivo quando il foglio dati è allegato all'ordine.
Richiamare il formato di esportazione in PARTdataManager tramite l'icona PDF Scheda tecnica
.
-> Si apre la finestra di dialogo Esportazione in formato PDF del foglio dati nella pagina delle opzioni di esportazione PDF [PDF export options].
La selezione standard Usa modello predefinito [Use default-template] è attivata.
Se per il catalogo attualmente selezionato sono disponibili modelli standard dell'azienda, è possibile selezionarli nel campo dell'elenco Livello [Plane], altrimenti selezionare CADENAS.
Selezionare la vista di derivazione [Derivation view]
![[Nota]](https://webapi.partcommunity.com/service/help/latest/pages/it/partsolutions_admin/doc/images/note.png)
Nota Questa impostazione è rilevante solo se il modello prevede la visualizzazione di una derivazione 2D.
Sovrascrive la vista di derivazione dal modello [Overwrite derivation view from template]:
Se l'opzione è impostata, viene utilizzata l'impostazione del campo elenco in visualizzazione Derivazione [Derivation view].
Se l'opzione non è impostata, viene utilizzato il valore predefinito del modello, indipendentemente dall'impostazione della vista [Derivation view] Derivazione. Tuttavia, se nel modello non è impostato alcun valore predefinito, viene utilizzata anche l'impostazione del campo elenco nella vista [Derivation view] Derivazione.
Visualizzazione del foglio dati dopo l'esportazione [Open generated datasheet] (opzionale)
Utilizzare Sfoglia .. per impostare il percorso del file di destinazione [Destination file].
Pagina della scheda Tabella [Table] -> Rimuovi colonne dalla tabella [Remove column from table]:
Nella pagina della scheda Tabella [Table] è possibile rimuovere le colonne dalla tabella per la visualizzazione del foglio dati. Attivare la casella di controllo per le colonne da non visualizzare.
Opzionalmente, è possibile regolare la precisione [Export accuracy] dell 'esportazione [Export accuracy] nella pagina della scheda Opzioni di esportazione [Export options].
Selezionare la precisione desiderata dalla casella di riepilogo:
Il componente viene ricalcolato al livello di dettaglio impostato prima dell'esportazione.
La funzione è identica a quella del Dettagli Opzione
in PARTdataManager, ma qui solo temporaneamente
per l'esportazione.







