Table of Contents
In the PARTtemplateDesigner you can create your own templates, later used with the 3D PDF datasheet function, which is available on the platforms PARTcommunity, PARTserver, PARTsolutions and Offline CDs.
For catalog suppliers decisive arguments for use are:
3D PDF datasheets can be created without performing any catalog changes, because the datasheet is automatically filled with the already existing eCATALOGsolutions catalog data.
Support for end-user: All catalogs at all working places produce identical datasheets, which improves the internal documentation. Furthermore the user of the 3D PDF datasheet gets all information at a glance, what essentially supports the product selection.
Once the 3D model is displayed, the datasheet function is available as well. Through support of the 3D function it is an innovative method with little susceptibility to errors.
The datasheet contains different elements:
![[Note]](https://webapi.partcommunity.com/service/help/latest/pages/it/partwarehouse/doc/images/note.png)
Note Possibly 2D views are already available as dw files, because extra Combination views had been created for PARTdataManager.
These dw files can directly be embedded in PARTtemplateDesigner without further effort. See below.
On the other hand, dw files created for PARTtemplateDesigner don't have to be used as Combination views in PARTdataManager mandatorily, but can be hidden for this use case. In the dw file, in the block Template, simply set the key hide on 1.
[Template] hide=1
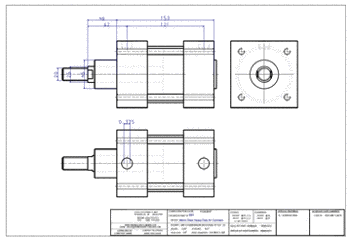
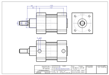
In the following you can see some datasheet examples:
For the 2D derivation the setting Shaded view can be chosen in the PDF datasheet. The generation is less time expensive and since in most cases no real line depiction is needed, it's a good alternative.
You can display the Windows user name and the mass of the part/assembly in the PDF datasheet. The mass declaration is important for example, in order to be able to calculate the freight charge. The user name is interesting for company internal datasheets, e.g. at incoming orders, if the datasheet is enclosed with the order.
The following figure shows an exemplary section of the user interface of PARTtemplateDesigner.







