Sommario
- 8.1. Creare un modello dalla A alla Z
- 8.2. Aprire il modello di catalogo esistente
- 8.3. Funzioni/impostazioni di base
- 8.4. "Barra degli strumenti "Elementi
- 8.5. Pagina/finestra di dialogo della scheda "Strato".
- 8.6. Modifica delle variabili multimediali nell' Editor multimediale
- 8.7. Tradurre le variabili dei media
- 8.8. Ereditare le proprietà delle variabili
Nel PARTtemplateDesigner si creano i propri modelli per la funzione scheda tecnica PDF 3D, che sono poi disponibili sulle varie piattaforme di output (3Dfindit).
I criteri di applicazione decisivi per i produttori di cataloghi sono:
Non è necessario apportare modifiche ai cataloghi per creare la scheda tecnica PDF 3D, poiché la scheda tecnica viene automaticamente compilata con i dati del catalogo eCATALOG 3Dfindit esistente.
Supporto all'utente finale: tutti i cataloghi in tutte le postazioni di lavoro producono fogli di lavoro identici, il che migliora la documentazione interna. Inoltre, l'utente della scheda tecnica PDF 3D riceve tutte le informazioni in un'unica panoramica, il che facilita notevolmente la selezione dei prodotti.
Una volta creato il modello 3D, la scheda tecnica è immediatamente disponibile e, grazie al supporto della funzione 3D, rappresenta un metodo innovativo con un basso tasso di errore.
La scheda tecnica 3D in PDF è disponibile in diverse lingue.
La scheda tecnica contiene diversi elementi:
![[Nota]](https://webapi.partcommunity.com/service/help/latest/pages/it/3dfindit/doc/images/note.png)
Nota È possibile che esistano già viste 2D in un file dw, perché sono state create viste combinate [Combination views] separate per PARTdataManager.
Questi file dw possono essere integrati direttamente nel PARTtemplateDesigner senza ulteriori sforzi. Vedere sotto.
D'altra parte, i file dw creati per il PARTtemplateDesigner non devono necessariamente essere utilizzati come viste combinate [Combination views] nel PARTdataManager, ma possono essere nascosti a tale scopo. In questo caso, impostare la chiave hide su 1 nel file dw del blocco Template.
[Template] hide=1
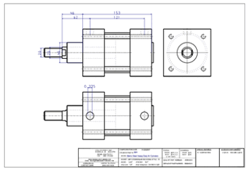
Di seguito sono riportati alcuni esempi di schede tecniche:
Nella scheda tecnica PDF, per la derivazione 2D è possibile selezionare anche l'impostazione di visualizzazione ombreggiata [Shaded view]. La creazione è molto più veloce e, poiché nella maggior parte dei casi non è necessaria una vera e propria rappresentazione a linee, questa è una buona alternativa.
È possibile visualizzare il nome utente di Windowse la massa del pezzo/assemblaggio nella scheda tecnica PDF. Le informazioni sulla informazioni sono importanti, tra l'altro, per il calcolo dei costi di trasporto. Il nome dell'utente è interessante per i fogli dati interni dell'azienda, ad esempio per gli ordini in arrivo quando il foglio dati è allegato all'ordine.
La figura seguente mostra una sezione esemplare dell'interfaccia utente di PARTtemplateDesigner.






