2.1.1. Installazione del catalogo di formazione

Prima di iniziare a lavorare in PARTproject , installare Si prega di training.cip il file utilizzando PARTadmin.

Figura 2.1. 

Essi può trovare il file training.cip all'indirizzo ...\cadenas\partsolutions\software\training.

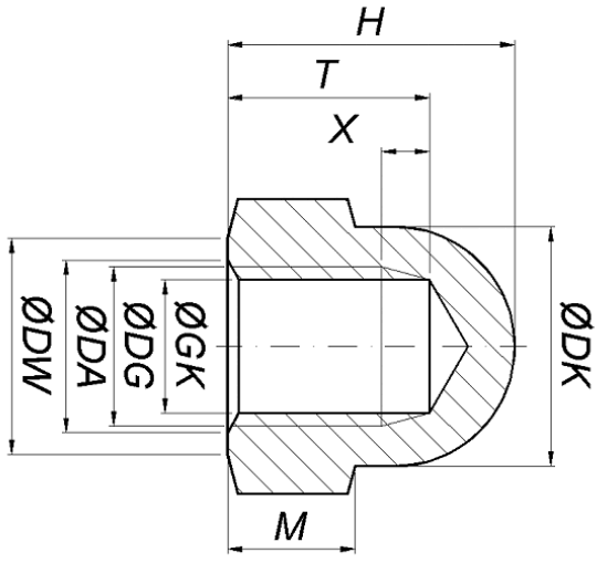
Il disegno e la tabella seguenti dovrebbero servire come base per l'esempio di formazione:

Disegno del dado del tappo

Figura 2.2. Disegno del dado del tappo

Tabella dei dadi per tappi

Figura 2.3. Tabella dei dadi per tappi