2.1.1. Installation des Trainingkatalogs

Bevor Sie mit der Arbeit in PARTproject beginnen, installieren Sie bitte die Datei training.cip mittels PARTadmin.

Sie finden die Datei training.cip unter ...\cadenas\partsolutions\software\training.

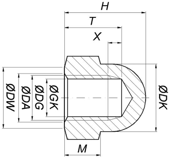
Für das Schulungsbeispiel soll folgende Zeichnung und Tabelle als Grundlage dienen:

Hutmutter Zeichnung

Hutmutter Zeichnung

Hutmutter Tabelle

Hutmutter Tabelle