Auflistung aller Merkmale mit möglichen Werten
3D Filename: Eintrag erfolgt automatisch (beim Setzen über "Published Elements")
3D Identifikation: Eintrag erfolgt automatisch (beim Setzen über "Published Elements")
Pipe Connector On Mainline: Anschluss auf Hauptleitung oder nicht (Listenfeldauswahl)
Piping: Versorgungsleitungen zum Transport von Gasen und Flüssigkeiten wie z.B. Wasser, Öl oder ähnliches
Wichtig ist der Außendurchmesser (das Nennmaß basiert auf dem Außendurchmesser)
HVAC: Heating, Ventilation and Air Conditioning (dt. „Heizung, Lüftung, Klimatechnik“) - Luftkanäle
Pipe Connector Function: Fließrichtung des Mediums oder Befestigung
Pipe Connector ISOGEN Code: ISOGEN-Code für das Bauteil (4 Buchstaben)
Reference Guide: https://docs.hexagonppm.com/reader/0lruBS_9RMe3GCYewUDFLw/jzNMOLyC0egjVBNRXD5wrg
Zwischen ISOGEN Code und VDI Form Code gibt es zum Teil Schnittmengen.
Zwischen ISOGEN Code und VDI Form Code gibt es zum Teil Schnittmengen.
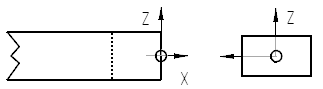
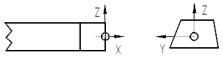
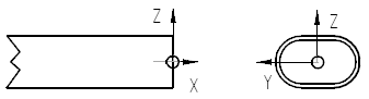
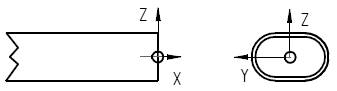
Für Rohrleitungen werden folgende Anschlussformen mit entsprechenden Kennungen unterschieden. In den mit einem Kreis gekennzeichneten Anschlusspunkten liegen die Nullpunkte der Anschluss-Koordinatensysteme.
Listenfeldauswahl: z..B. NIPP, MUFF, GLAT, RUF, OVFL (siehe VDI 3805)
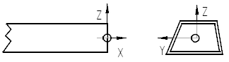
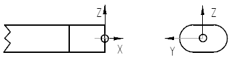
Anschlussformen für Luftleitungen
Für Luftleitungen werden Anschlussformen mit entsprechenden Kennungen unterschieden (die Anschlusspunkte sind jeweils durch einen kleinen Kreis gekennzeichnet).
Die Verbindungsart wird bestimmt durch die Angabe einer alphanumerischen Bezeichnung. Diese definiert die qualitative Gestalt der Wirkflächenpaarung in der Verbindung. Sie kann zusammengesetzt sein aus z.B. einer DIN-Nummer für die Gewinde- oder Flanschart, kombiniert mit einer Druckstufen- oder Leistungsangabe, wenn diese auf die Wirkflächengestalt (z.B. bei Flanschen) Einfluss hat.
Pipe Connector Nominal Diameter: Nominaler (innerer) Rohr-Anschlussdurchmesser. Wird über eine entsprechende Variable gesteuert.
Pipe Connector External Diameter: Äußerer Rohr-Anschlussdurchmesser. Wird über eine entsprechende Variable gesteuert.
Pipe Connector Insertion Depth: Einschubtiefe. Wird über eine entsprechende Variable gesteuert.

![[Hinweis]](https://webapi.partcommunity.com/service/help/latest/pages/de/ecatalogsolutions/doc/images/note.png)























