4.4.1.20. eCATALOGsolutions: PARTtemplateDesigner - Neues Element "QR Code"

Im PARTtemplateDesigner erstellen Sie eigene Templates für die 3D-PDF-Datenblatt-Funktion, welche auf den Plattformen PARTcommunity, PARTserver, PARTsolutions und Offline CDs zur Verfügung steht.

Entscheidende Einsatzkriterien für Kataloghersteller sind:

  • Zur Erstellung des 3D-PDF-Datenblatts sind keine Änderungen an den Katalogen vorzunehmen, denn das Datenblatt wird automatisch mit den bereits vorhandenen eCATALOGsolutions Katalogdaten gefüllt.

  • Unterstützung der Endanwender: Alle Kataloge an allen Arbeitsplätzen produzieren identische Arbeitsblätter, was die interne Dokumentation verbessert. Darüber hinaus bekommt der Anwender des 3D-PDF-Datenblattes alle Informationen in einer Übersicht, wodurch die Produktauswahl wesentlich unterstützt wird.

  • Nach der Erstellung des 3D-Modells ist das Datenblatt sofort verfügbar und stellt durch die Unterstützung der 3D-Funktion eine innovative Methode mit geringer Fehleranfälligkeit dar.

  • Das 3D-PDF-Datenblatt ist in mehreren Sprachen verfügbar.

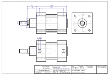
Das Datenblatt enthält verschiedene Elemente:

  • Textfelder

  • 3D-Modell

  • 2D-Ansicht

  • Technische Ansichten mit Bemaßung

  • Fotorealistische Bilder

  • Sachmerkmalstabelle

  • weitere

Mit V9.07 neu hinzugekommen ist das Element QR Code.

Im Folgenden sehen Sie einige Datenblatt-Beispiele:

CADENAS Standard Template

CADENAS Standard Template

Firmenspezifisches Template - Beispiel 1

Firmenspezifisches Template - Beispiel 1

Firmenspezifisches Template - Beispiel 2

Firmenspezifisches Template - Beispiel 2

Firmenspezifisches Template - Beispiel 3

Firmenspezifisches Template - Beispiel 3

Besondere Features:

  • Im PDF-Datenblatt kann für die 2D-Ableitung auch die Einstellung Schattierte Darstellung gewählt werden. Das Erstellen geht wesentlich schneller und da in den meisten Fällen keine reale Liniendarstellung benötigt wird, stellt dies eine gute Alternative dar.

  • Sie können den Windows-Benutzernamen und die Masse des Teils/Assemblys im PDF-Datenblatt anzeigen lassen. Die Massenangabe ist u.a. wichtig, um Frachtkosten berechnen zu können. Der Benutzername ist für firmeninterne Datenblätter interessant, z.B., bei eingehenden Bestellungen, wenn das Datenblatt der Bestellung beigelegt wird.

Detaillierte Informationen finden Sie unter Kapitel 10, PARTtemplateDesigner - Datenblätter erstellen in eCATALOGsolutions - Handbuch.