Sommaire
- 8.1. Créer un modèle de A à Z
- 8.2. Ouvrir un modèle de catalogue existant
- 8.3. Fonctions de base / Réglages
- 8.4. "Éléments" Barre d'outils
- 8.5. "Layer" Page d'onglet/fenêtre de dialogue
- 8.6. Modifier les variables média dans l' éditeur de médias
- 8.7. Traduire les variables média
- 8.8. Hériter des propriétés des variables
Dans PARTtemplateDesigner, vous créez vos propres modèles pour la fonction de feuille de données 3D-PDF, qui sont ensuite disponibles sur les différentes plateformes de sortie (3Dfindit).
Les critères d'utilisation décisifs pour les producteurs de catalogues sont
Pour la création de la fiche de données 3D-PDF, aucune modification ne doit être apportée aux catalogues, car la fiche de données est automatiquement remplie avec les données de catalogue eCATALOG 3Dfindit déjà existantes.
Soutien aux utilisateurs finaux : tous les catalogues de tous les postes de travail produisent des fiches de travail identiques, ce qui améliore la documentation interne. De plus, l'utilisateur de la fiche technique PDF 3D reçoit toutes les informations en un seul coup d'œil, ce qui facilite considérablement le choix du produit.
Une fois le modèle 3D créé, la fiche technique est immédiatement disponible et, grâce au soutien de la fonction 3D, elle constitue une méthode innovante avec un faible risque d'erreur.
La fiche technique 3D-PDF est disponible en plusieurs langues.
La fiche technique contient différents éléments :
![[Remarque]](https://webapi.partcommunity.com/service/help/latest/pages/fr/ecatalogsolutions/doc/images/note.png)
Remarque Il est possible que des vues 2D existent déjà sous forme de fichier dw, car des vues combinées [Combination views] ont été créées pour PARTdataManager.
Ces fichiers dw peuvent être directement intégrés dans PARTtemplateDesigner sans effort supplémentaire. Voir ci-dessous.
D'autre part, les fichiers dw créés pour le PARTtemplateDesigner ne doivent pas nécessairement être utilisés comme vues combinées [Combination views] dans le PARTdataManager, mais peuvent être masqués à cet effet. Dans ce cas, mettez la clé hide à 1 dans le fichier dw, dans le bloc Template.
[Template] hide=1
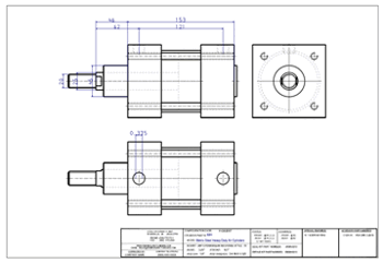
Vous trouverez ci-dessous quelques exemples de fiches techniques :
Caractéristiques particulières:
Dans la fiche de données PDF, il est également possible de sélectionner le paramètre Représentation ombrée [Shaded view] pour la dérivation 2D. La création est beaucoup plus rapide et comme, dans la plupart des cas, on n'a pas besoin d'une représentation linéaire réelle, cela constitue une bonne alternative.
Vous pouvez afficher le nom d'utilisateur Windowset la masse de la pièce/l'assemblage dans la fiche de données PDF. L'indication de la masse est importante, entre autres, pour pouvoir calculer les frais de transport. Le nom d'utilisateur est intéressant pour les fiches techniques internes à l'entreprise, par exemple, pour les commandes entrantes, lorsque la fiche technique est jointe à la commande.
L'illustration suivante montre un exemple d'extrait de l'interface utilisateur de PARTtemplateDesigner.






