Inhaltsverzeichnis
Im PARTtemplateDesigner erstellen Sie eigene Templates für die 3D-PDF-Datenblatt-Funktion, welche dann auf den unterschiedlichen Ausgabeplattformen (3Dfindit) zur Verfügung stehen.
Entscheidende Einsatzkriterien für Kataloghersteller sind:
Zur Erstellung des 3D-PDF-Datenblatts sind keine Änderungen an den Katalogen vorzunehmen, denn das Datenblatt wird automatisch mit den bereits vorhandenen eCATALOG 3Dfindit Katalogdaten gefüllt.
Unterstützung der Endanwender: Alle Kataloge an allen Arbeitsplätzen produzieren identische Arbeitsblätter, was die interne Dokumentation verbessert. Darüber hinaus bekommt der Anwender des 3D-PDF-Datenblattes alle Informationen in einer Übersicht, wodurch die Produktauswahl wesentlich unterstützt wird.
Nach der Erstellung des 3D-Modells ist das Datenblatt sofort verfügbar und stellt durch die Unterstützung der 3D-Funktion eine innovative Methode mit geringer Fehleranfälligkeit dar.
Das Datenblatt enthält verschiedene Elemente:
![[Hinweis]](https://webapi.partcommunity.com/service/help/latest/pages/de/ecatalogsolutions/doc/images/note.png)
Hinweis Evtl. liegen bereits 2D-Ansichten als dw-Datei vor, weil für PARTdataManager eigene Kombinationsansichten [Combination views] erstellt wurden.
Diese dw-Dateien können im PARTtemplateDesigner ohne weitere Aufwände direkt eingebunden werden. Siehe unten.
Andererseits müssen für den PARTtemplateDesigner erstellte dw-Dateien nicht unbedingt auch als Kombinationsansichten [Combination views] im PARTdataManager verwendet werden, sondern können hierfür ausgeblendet werden. Setzen Sie in diesem Fall in der dw-Datei, im Block Template, den Schlüssel hide auf 1.
[Template] hide=1
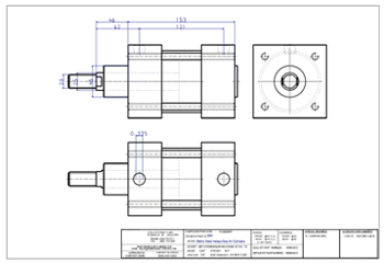
Im Folgenden sehen Sie einige Datenblatt-Beispiele:
Im PDF-Datenblatt kann für die 2D-Ableitung auch die Einstellung Schattierte Darstellung [Shaded view] gewählt werden. Das Erstellen geht wesentlich schneller und da in den meisten Fällen keine reale Liniendarstellung benötigt wird, stellt dies eine gute Alternative dar.
Sie können den Windows-Benutzernamen und die Masse des Teils/Assemblys im PDF-Datenblatt anzeigen lassen. Die Massenangabe ist u.a. wichtig, um Frachtkosten berechnen zu können. Der Benutzername ist für firmeninterne Datenblätter interessant, z.B., bei eingehenden Bestellungen, wenn das Datenblatt der Bestellung beigelegt wird.
Die folgende Abbildung zeigt einen beispielhaften Ausschnitt aus der Benutzeroberfläche von PARTtemplateDesigner.






